Ответы на вопросы
Вопросы по вызывным панелям
-
Надо ли устанавливать защитный диод при подключении электромагнитного замка к вызывной панели BAS-IP?
Да, установка защитного диода (или супрессора) параллельно обмотке электромагнитного замка — обязательна. Это не прихоть, а необходимая мера защиты электроники.
Зачем нужен диод?
Когда вы отключаете питание от электромагнитного замка, в его катушке (обмотке) возникает обратный выброс напряжения — так называемый импульс самоиндукции. Он может достигать сотен вольт, даже если сам замок работает от 12 В. Этот импульс бьёт по электронным компонентам — например, по реле вызывной панели или контроллера — и со временем выводит их из строя. Диод гасит этот выброс, пропуская обратный ток через себя и защищая схему.
Как правильно подключить диод:
Используйте диод типа 1N4004, 1N4007 или аналогичный из серии 1N400x. Подключайте его параллельно контактам замка. Катод диода (полоска на корпусе) — к плюсу питания (+12 В). Анод — к минусу (GND). То есть — в обратной полярности относительно питания.
Простыми словами:, диод «стоит в сторонке» и молчит, пока всё в порядке. А когда появляется опасный обратный импульс — он «замыкает его на себя» и гасит.
Параметры диода:
Обратное напряжение: не менее 100 В — чтобы выдержать выброс.
Ток: не менее 1 А — этого хватит для большинства замков.
Подойдёт практически любой диод из серии 1N4001–1N4007.Что будет, если не поставить диод?
- Выход из строя реле в вызывной панели или транзистора в контроллере.
- Нестабильная работа системы: дверь не открывается, панель «глючит».
- Потеря гарантии — многие производители указывают, что отсутствие диода исключает гарантийный ремонт.
Пример из практики:
Многие монтажники игнорируют установку диода — «и так работает». Да, может работать месяц, полгода… Но потом — внезапный выход контроллера из строя, и найти причину сложно. А виновато как раз отсутствие этого копеечного диода.
Вывод:
Обязательно поставьте диод 1N4007 (или 1N4004) параллельно замку — в обратной полярности. Это стоит копейки, но спасёт вашу систему от преждевременной поломки.
-
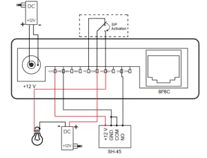
Как настроить панель AV-04AFD для работы в соответствии с требованиями МЧС РФ?
Панель AV-04AFD имеет функцию экстренного соединения с МЧС РФ. После зажатия кнопки быстрого вызова на несколько секунд, с панели будет произведен SIP-вызов на номер службы спасения. После соединения с диспетчером МЧС замкнется реле панели и включится сигнальная лампа, которая будет обозначать спасателям место укрытия людей.
Лампа может быть выключена при размыкании контактов двери при их открытии бригадой МЧС или автоматически через указанный в настройках период времени.
Для настройки данной функции, прежде всего вам нужно установить на устройство прошивку с данной опцией:
- Скачайте необходимую прошивку (функция доступна в версии 3.2.0 и выше).
- Скачайте, установите и откройте Remote Upgrade Tool.
- Найдите IP адрес вашей панели и выберите его.

- Нажмите Select и выберите файл скачанной прошивки.
- Кликните Auto Reboot для автоматической перезагрузки устройства.

- Нажмите Upgrade и подождите до конца процесса (в графе Status будет показано Success).

- Панель перезагрузится несколько раз и будет готова к работе.
Далее необходимо включить функцию SIP-звонков и указать необходимые данные:
- Войдите в веб-интерфейс вызывной панели. По умолчанию, логин — admin, а пароль — 123456.
- Откройте вкладку «Вызывная панель».
- В разделе «Настройки SIP» включите функцию и укажите:
- Прокси SIP-сервера. На этот адрес устройство будет отправлять запросы регистрации. Перед адресом прокси обязательно нужно указывать «sip:».
- Адрес SIP-сервера. Поле используется для передачи домена в запросе аутентификации. Может быть указан как IP-адресом, так и доменным именем.
- STUN IP сервера (например, stun.l.google.com).
- STUN порт сервера. Для STUN сервера Google используется порт 19302.
- Логин, SIP номер (например, 26).
- Пароль от SIP номера.
- Интервал перерегистрации на сервере.

- Сохраните указанную информацию. Как результат правильного SIP-подключения в верхней строке web-интерфейса отобразится статус SIP.

После включения функции SIP — переходите к настройке функции вызова на номер МЧС:
- Войдите в веб-интерфейс вызывной панели. По умолчанию, логин — admin, а пароль — 123456.
- Откройте вкладку СКУД и найдите раздел Дополнительные настройки.
- В строке Функция нажатия кнопки выберите Служба спасения.

- Укажите номер, по которому будет осуществлен вызов в МЧС. SIP-номер необходимо указывать в формате: sip: номер@ip устройства или адрес сервера. Например, sip:
Адрес электронной почты защищен от спам-ботов. Для просмотра адреса в браузере должен быть включен Javascript. . - Установите таймер автоматического отключения сигнальной лампы в диапазоне 0–3600 минут. Также бригада МЧС по приезду может отключить лампу подключенной к контактам датчика двери кнопкой.

- Сохраните настройки.
Схема подключения кнопки и лампы к панели:

-
Как включить воспроизведение IP-адреса на AV-07B/T?
В случае если панель AV-07B или AV-07T не отображается в сети, а статический адрес её не задан или неизвестен, можно включить функцию воспроизведения панелью своего IP адреса. Для этого:
- Выключите питание панели.
- Включите питание панели и зажмите на ней кнопку вызова на 15–20 секунд.
- После включения устройство будет непрерывно воспроизводить свой IP адрес.
Перезагрузите панель для отключения данной функции.
-
Записывают ли вызывные панели видео с камер в «спящем» режиме?
Все вызывные панели BAS-IP транслируют RTSP поток для возможной записи видео с камеры на видеорегистратор.
-
Как долго способны работать вызывные панели при отключении электропитания?
Все зависит от источника бесперебойного питания. Реализовать её можно, подключив аккумулятор на 12 мА/ч к блоку бесперебойного питания BAS-IP UPS-DP. Это даст 4–5 часов беспрерывной работы вызывных панелей BAS-IP (время работы зависит от ёмкости аккумулятора).
-
У вызывной панели AV-01MFD можно ли расширить количество управляемых реле?
Да, подключив модуль управления двумя замками BAS-IP SH-42.
-
Можно ли использовать только вызывную панель, без видеодомофона, и управлять ею со смартфона?
Да, вы можете использовать вызывную панель без видеодомофона. У вас будет возможность настроить её для четырех SIP аккаунтов (4-х пользователей). Также вохможна реализация решения для офисов: подключить вызывную панель по SIP протоколу к IP АТС и настроить вызов на нужного абонента.
-
Интегрируется ли ваше оборудование в системы видеонаблюдения и СКУД?
Да. В системе видеонаблюдения вы можете вести запись с камер вызывных панелей посредством протокола RTSP.
Для интерграции в систему СКУД в наших вызывных панелях предусмотрен интерфейс WIEGAND-26.
-
Есть ли поддержка SIP протокола в последних версиях вызывных панелей?
Вся линейка третьей версии поддерживает SIP 2.0.
-
Какие замки могут быть подключены к индивидуальным и многоквартирным вызывным панелям BAS-IP?
К индивидуальной или многоквартирной вызывной панели BAS-IP можно подключить электромагнитный или электромеханический (в том числе типа «защелка») замок.
-
Есть ли возможность записи фото или видео по движению?
В вызывной панели AV-07T есть функция записи фото по движению.







